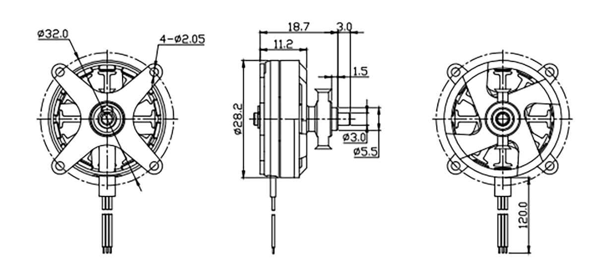
28.2*11.2mm
12N14P
200℃
5.5mm
17.5g
>1000h
| Model | KV Value | maximum power | Maximum current | pull | Efficiency | Awe | Battery | ESC | |
| BG-F2302 | KV | W | A | g | g/W | / | S | A | |
| 1500 | 50 | 6.8 | 260 | 5.2 | 8060 | 2S | 15 | ||
| 1650 | 59.2 | 8 | 268 | 4.5 | 8060 | 2S | 20 | ||
| 1800 | 72.5 | 9.8 | 282 | 3.9 | 8060 | 2S | 20 | ||



