Главная > Продукция > Моторы для самолётов > BG-F2304 1850KV OEM FPV Производитель бесколлекторного мотора гоночный мотор для дрона
4 3 3 3 3
  • 1
  • 2
  • 2
  • 2
  • 2

Моторы для самолётов

BG-F2304 1850KV OEM FPV Производитель бесколлекторного мотора гоночный мотор для дрона

Трехфазный бесколлекторный мотор с внешним ротором, конструкция 12N14P, ориентирован на высокую тягу, длительное время работы и низкий уровень шума; подходит для тяжелых дальних полетов и профессиональной кино- и телеаэросъемки.
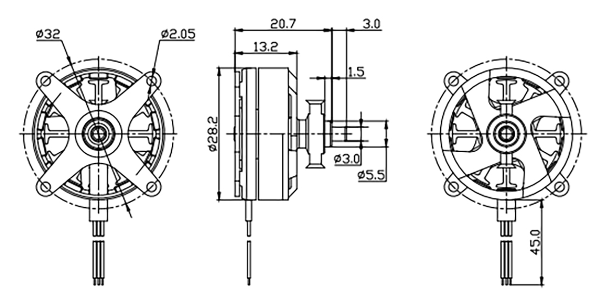
  • Размеры мотора

    28.2*13.2mm

  • Количество пазов

    12N14P

  • Класс медного провода

    200℃

  • Диаметр вала

    5.5mm

  • Вес мотора

    23g

  • Срок службы

    >1000h

Основные данные
ModelKV ValueMaximum  PowerMaximum  CurrentPullEfficiencyAweBatteryESC
BG-F2304KVWAgg/W/SA
148059.283606.190472S20 
185057.77.83806.680402S15 
185081.4114205.290402S20 



Тестовые данные
Чертёж

cp1.jpg

cp2.jpg

cp3.jpg

cp4.webp


ФОРМА СВЯЗИ

НЕ НАШЛИ НУЖНУЮ ИНФОРМАЦИЮ?
Свяжитесь с одним из наших менеджеров по продажам

товары той же серии