Главная > Продукция > Моторы для мультироторных дронов > BG-P4320 350KV Высокая тяга Высокопроизводительный дрон-мотор
4 3 3 3 3
  • 1
  • 2
  • 2
  • 2
  • 2

Моторы для мультироторных дронов

BG-P4320 350KV Высокая тяга Высокопроизводительный дрон-мотор

With a stator diameter of around 40 mm, these моторы обеспечивают higher крутящий момент, stronger тяга, и improved stability, making them ideal для исследовательский дроны that require надежный и эффективный тяга.
  • Размеры мотора

    51*44mm

  • Количество пазов

    12N14P

  • Класс медного провода

    200℃

  • Диаметр вала

    M6

  • Вес мотора

    306g

  • Срок службы

    >1000h

Основные данные
ModelKV ValueMaximum  PowerMaximum  CurrentPullEfficiencyAweBatteryESC
BG-P4320KVWAgg/W/SA
35082132.5632603.9713097S60 
350146443.5853623.6613099S80 



Тестовые данные
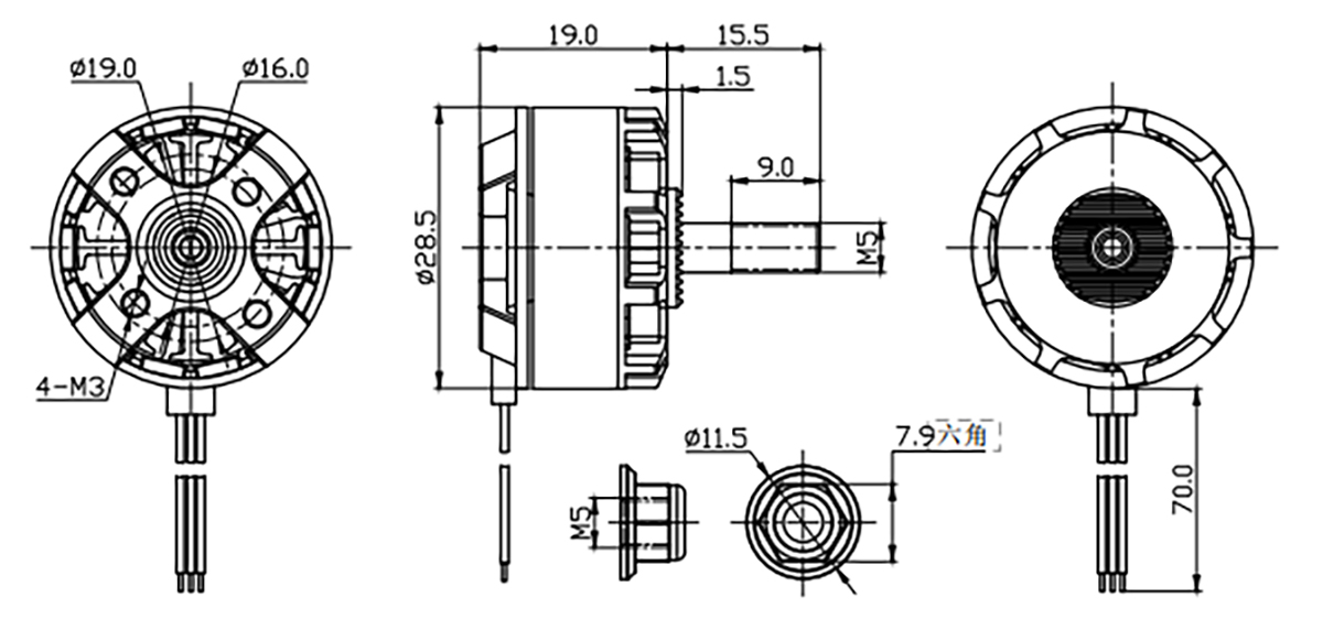
Чертёж

多旋翼应用压缩图2.jpg

9e227499957c35576328f19ad2524579.jpg

ФОРМА СВЯЗИ

НЕ НАШЛИ НУЖНУЮ ИНФОРМАЦИЮ?
Свяжитесь с одним из наших менеджеров по продажам

товары той же серии