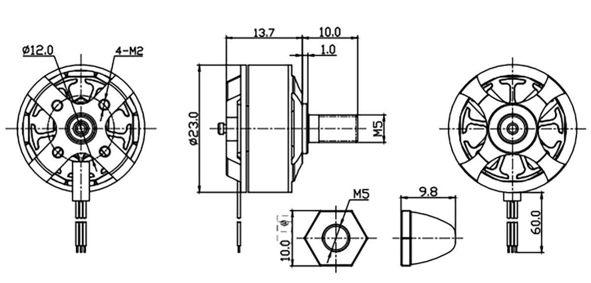
60.4*35.3mm
12N14P
200℃
6mm
323g
>1000h
| Model | KV Value | Maximum Power | Maximum Current | Pull | Efficiency | Awe | Battery | ESC | |
| BG-P5315 | KV | W | A | g | g/W | / | S | A | |
| 270 | 2944.9 | 64.78 | 8517 | 2.89 | 15''tripod paddle | 12S | 120 | ||
| 430 | 3113.71 | 101.49 | 8194 | 2.63 | 15''tripod paddle | 8S | 80 | ||
| Model | Accelerator | Voltage | Pulling Force | Torque | Current | Speed | Power | Efficiency | Мотор Temperature |
| BG-P5315 KV270 | % | V | g | N.m | A | rpm | W | g/W | ℃ |
| 45% | 46.23 | 2077 | 0.46 | 6.82 | 5248 | 315.29 | 6.59 | 45 | |
| 50% | 46.17 | 2548 | 0.65 | 9.5 | 5855 | 438.62 | 5.81 | ||
| 60% | 46.11 | 3606 | 0.86 | 16.93 | 6904 | 780.64 | 4.62 | ||
| 70% | 45.99 | 4755 | 1.05 | 23.15 | 7819 | 1064.67 | 4.47 | ||
| 80% | 45.91 | 6016 | 1.37 | 35.11 | 8720 | 1611.9 | 3.73 | ||
| 85% | 45.81 | 6530 | 1.56 | 41.72 | 9139 | 1911.19 | 3.42 | ||
| 90% | 45.75 | 6705 | 1.5 | 40.82 | 9139 | 1867.52 | 3.59 | ||
| 95% | 45.6 | 7941 | 1.84 | 57.4 | 9867 | 2617.44 | 3.03 | ||
| 100% | 45.46 | 8517 | 1.94 | 64.78 | 10124 | 2944.9 | 2.89 |

