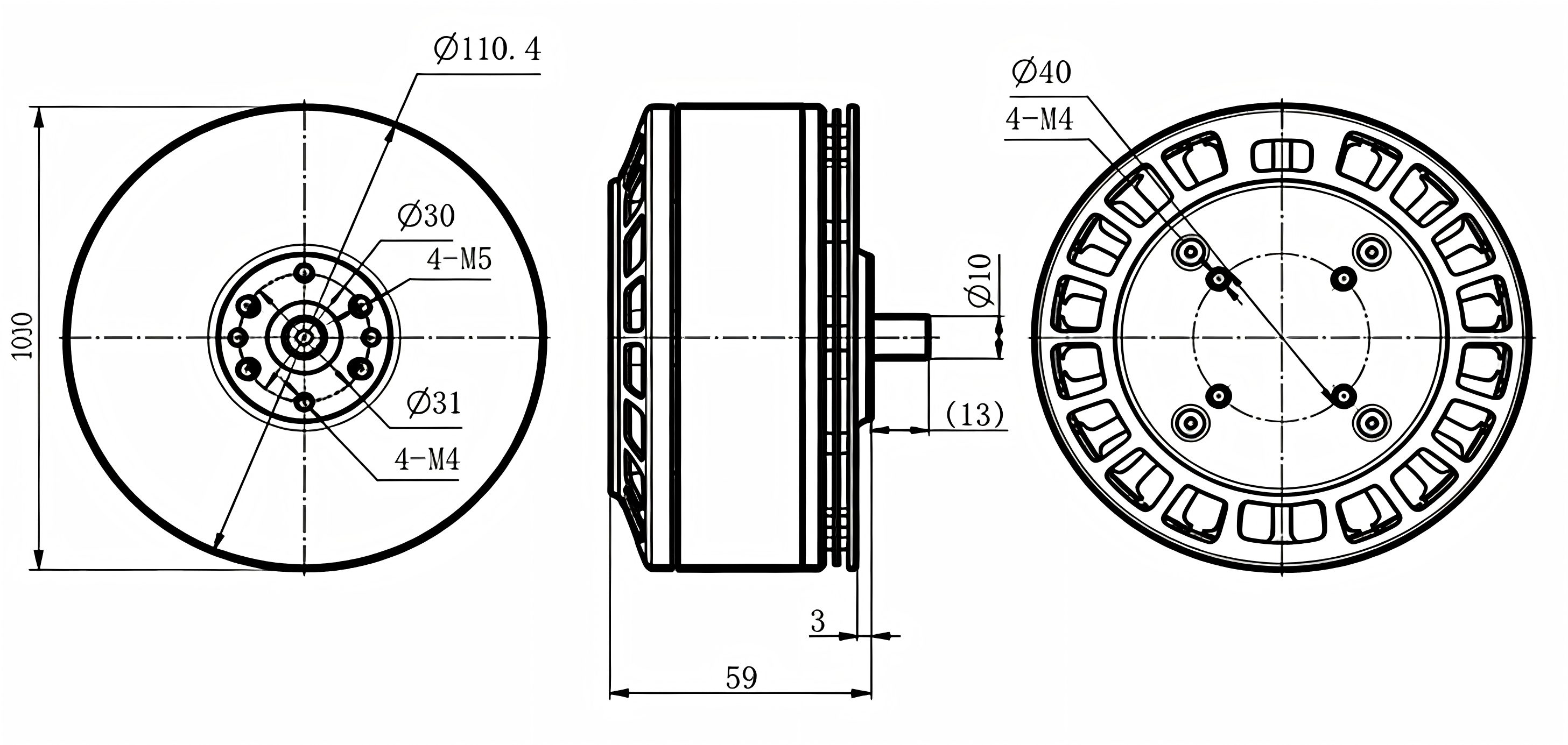
110.4*59mm
/
200℃
15mm
1320g
>1000h
| Model | KV Value | Maximum Power | Maximum Current | Pull | Efficiency | Propeller | Battery Lipo Cells | ESC | |
| BGS-H120 | KV | W | A | g | g/W | / | S | A | |
| 43 | 6209.16 | 70.8 | 29583 | 4.76 | 40" | 24S | 120 | ||
| 85 | 5576 | 131.2 | 27759 | 4.98 | 40" | 12S | 150 | ||
| 155 | 7722.17 | 184.3 | 28652 | 3.71 | 30" | 12S | 200 | ||
| Model | Accelerator | Voltage | Pulling Force | Torque | Current | Speed | Power | Efficiency | Мотор Temperature |
| BGS-H120 KV43 | % | V | g | N.m | A | rpm | W | g/W | ℃ |
| 45% | 88.4 | 7292 | 4.01 | 8.5 | 1788 | 751.4 | 9.7 | 80 | |
| 50% | 88.4 | 8858 | 4.82 | 11.1 | 1945 | 981.24 | 9.03 | ||
| 60% | 88.3 | 12612 | 6.88 | 18.9 | 2318 | 1668.87 | 7.56 | ||
| 70% | 88.2 | 17217 | 9.4 | 29.5 | 2643 | 2601.9 | 6.62 | ||
| 80% | 88 | 22001 | 12.2 | 42.6 | 2936 | 3748.8 | 5.87 | ||
| 85% | 87.9 | 24724 | 13.89 | 51 | 3082 | 4482.9 | 5.52 | ||
| 90% | 87.8 | 27085 | 15.63 | 59.9 | 3214 | 5259.22 | 5.15 | ||
| 95% | 87.7 | 29706 | 17.77 | 71.3 | 3360 | 6253.01 | 4.75 | ||
| 100% | 87.7 | 29583 | 17.71 | 70.8 | 3348 | 6209.16 | 4.76 |

