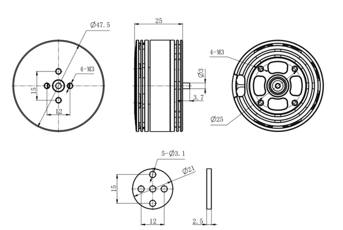
41*8mm
24N22P
200℃
3mm
99g
>1000h
| Model | KV Value | Maximum Power | Maximum Current | Pull | Efficiency | Awe | Battery | ESC | |
| BG-P4108 | KV | W | A | g | g/W | / | S | A | |
| 310 | 212.92 | 9.74 | 1487 | 6.98 | 14''straight oar | 6S | 40 | ||
| 490 | 257.71 | 18.11 | 1648 | 6.39 | 15''straight oar | 4S | 40 | ||
| 690 | 393.82 | 27.99 | 1655 | 4.2 | 12''straight oar | 4S | 60 | ||
| Model | Accelerator | Voltage | Pulling Force | Torque | Current | Speed | Power | Efficiency | Мотор temperature |
| BG-P4108 KV310 | % | V | g | N.m | A | rpm | W | g/W | ℃ |
| 45% | 21.95 | 366 | 0.09 | 1.31 | 2976 | 28.75 | 12.73 | 56 | |
| 50% | 21.93 | 455 | 0.11 | 1.68 | 3299 | 36.84 | 12.35 | ||
| 60% | 21.94 | 657 | 0.16 | 2.97 | 3942 | 65.16 | 10.08 | ||
| 70% | 21.91 | 850 | 0.19 | 4.16 | 4510 | 91.15 | 9.33 | ||
| 80% | 21.89 | 1068 | 0.24 | 5.8 | 5036 | 126.96 | 8.41 | ||
| 85% | 21.88 | 1167 | 0.27 | 6.71 | 5290 | 146.81 | 7.95 | ||
| 90% | 21.87 | 1278 | 0.29 | 7.66 | 5543 | 167.52 | 7.63 | ||
| 95% | 21.87 | 1398 | 0.31 | 8.71 | 5785 | 190.49 | 7.34 | ||
| 100% | 21.86 | 1487 | 0.34 | 9.74 | 5962 | 212.92 | 6.98 |

