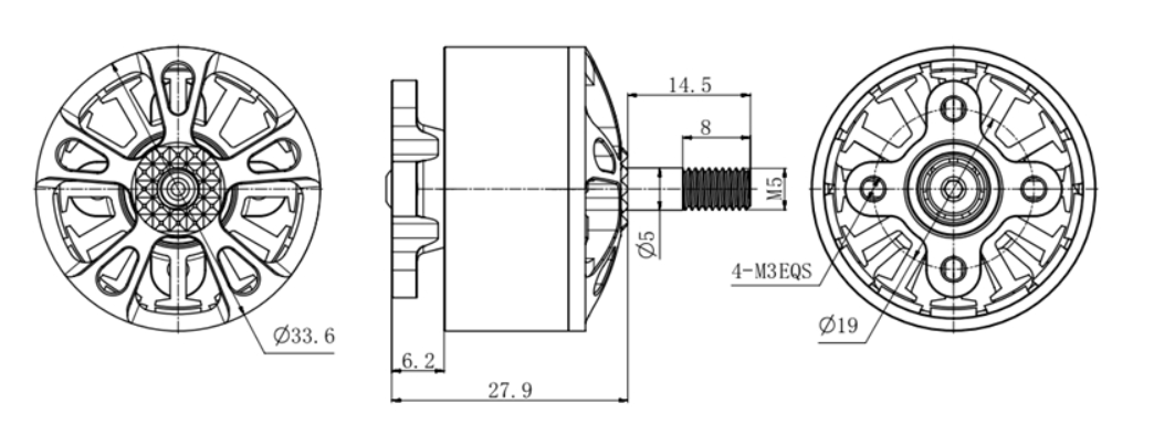
33.6*27.9mm
12N14P
200℃
5.0 mm
76g
>1000h
| Model | KV Value | Maximum Power | Maximum Current | Pull | Efficiency | Awe | Battery | ESC | |
| BG-S2812 | KV | W | A | g | g/W | / | S | A | |
| 920 | 791.35 | 32.3 | 2465 | 3.11 | 9"screw propeller | 6S | / | ||
| 1160 | 1325.45 | 54.1 | 3150 | 2.38 | 9"screw propeller | 6S | / | ||
| Model | Accelerator | Voltage | Pulling Force | Torque | Current | Speed | Power | Efficiency | Мотор Temperature |
| BG-S2812 KV920 | % | V | g | N.m | A | rpm | W | g/W | ℃ |
| 40% | 24.5 | 600 | / | 5 | 9400 | 12.5 | 4.9 | 46 | |
| 50% | 24.5 | 695 | / | 6.8 | 10550 | 166.6 | 4.17 | ||
| 60% | 24.5 | 1010 | / | 9.2 | 11720 | 225.4 | 4.48 | ||
| 70% | 24.5 | 1325 | / | 13.2 | 13410 | 323.4 | 4.1 | ||
| 80% | 24.5 | 1510 | / | 18.4 | 14950 | 450.8 | 3.35 | ||
| 90% | 24.5 | 2080 | / | 25.1 | 16410 | 614.95 | 3.38 | ||
| 100% | 24.5 | 2465 | / | 32.3 | 17700 | 791.35 | 3.11 |

