Главная > Продукция > Вертикальные моторы > BG-F2212 920KV 980KV FPV Мотор 3S Высокоточный Аэрофотосъемочный Мотор для дрона
4 3 3 3 3
  • 1
  • 2
  • 2
  • 2
  • 2

Вертикальные моторы

BG-F2212 920KV 980KV FPV Мотор 3S Высокоточный Аэрофотосъемочный Мотор для дрона

Трехфазный бесколлекторный мотор с внешним ротором, конструкция 12N14P, ориентирован на высокую тягу, длительное время работы и низкий уровень шума; подходит для тяжелых дальних полетов и профессиональной кино- и телеаэросъемки.
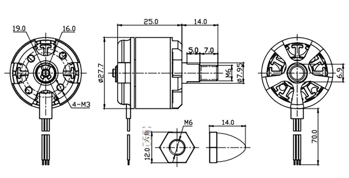
  • Размеры мотора

    27.7*25mm

  • Количество пазов

    12N14P

  • Класс медного провода

    200℃

  • Диаметр вала

    M6

  • Вес мотора

    50g

  • Срок службы

    >1000h

Основные данные
ModelKV ValueMaximum  PowerMaximum  CurrentPullEfficiencyAweBatteryESC
BG-F2212KVWAgg/W/SA
920817.34655.780453S20 
9201059.56426.110453S20 
980908.15355.980453S20 



Тестовые данные
Чертёж

cp1.jpg

cp2.jpg

cp3.jpg

cp4.webp


ФОРМА СВЯЗИ

НЕ НАШЛИ НУЖНУЮ ИНФОРМАЦИЮ?
Свяжитесь с одним из наших менеджеров по продажам

товары той же серии