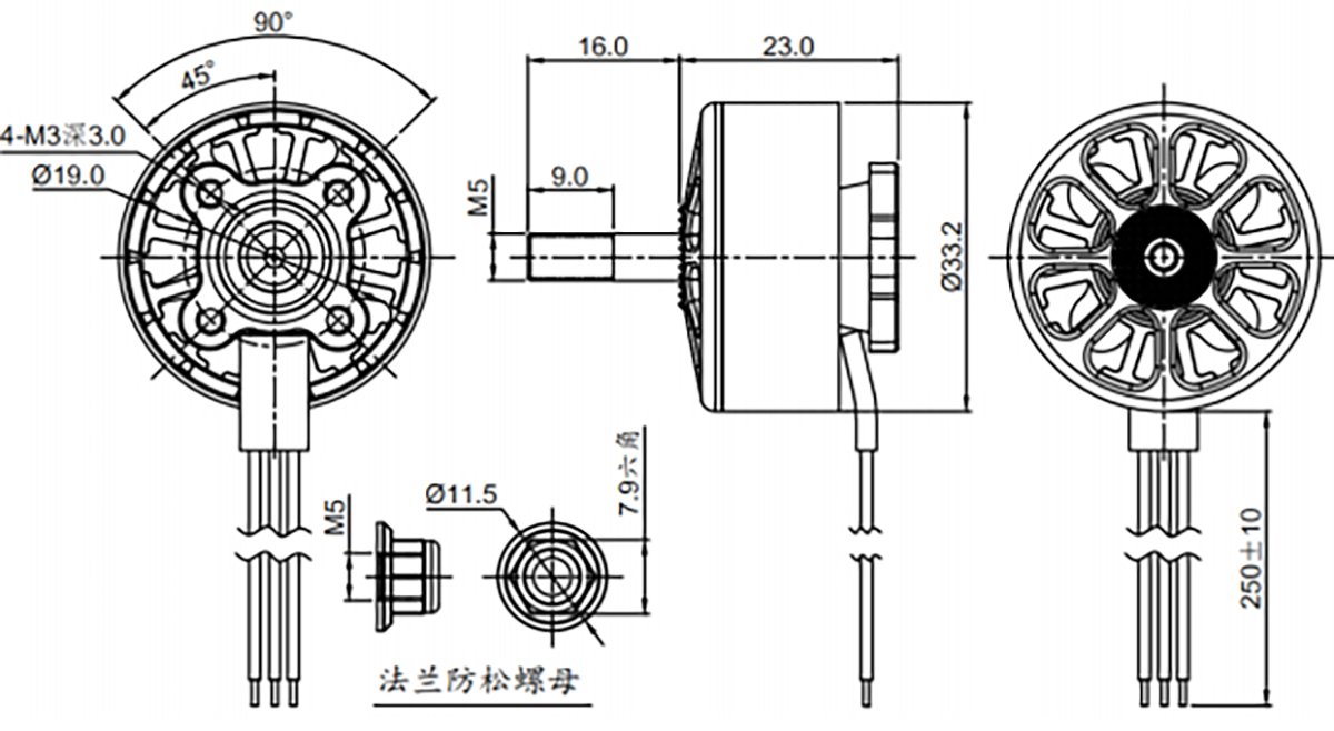
33.2*23mm
12N14P
200℃
M5
65g
>1000h
| MODEL | KV Value | maximum power | Maximum current | pull | Efficiency | Awe | Battery | Electronic Tuning | |
| BG-F2810 | KV | W | A | g | g/W | / | S | A | |
| 900 | 910 | 41 | 2450 | 2.7 | 8045 | 6S | 80 | ||
| 1200 | 906 | 40.8 | 2050 | 2.3 | 7040 | 6S | 80 | ||
| 1350 | 1148 | 51.7 | 2100 | 1.8 | 7035 | 6S | 100 | ||



