Главная > Продукция > Моторы для самолётов > BG-S1102 8000KV 12000KV 2S быстрый ответ FPV моторы
4 3 3 3 3
  • 1
  • 2
  • 2
  • 2
  • 2

Моторы для самолётов

BG-S1102 8000KV 12000KV 2S быстрый ответ FPV моторы

11XX серия моторы с внешним ротором обеспечивают компактный size, высокая скорость, и эффективный производительность, making them the ideal choice для мини-БПЛАs и точный small equipment применения.
  • Размеры мотора

    14*9.5mm

  • Количество пазов

    9N12P

  • Класс медного провода

    200℃

  • Диаметр вала

    1.5mm

  • Вес мотора

    3.4g

  • Срок службы

    >1000h

Основные данные
ModelKV ValueMaximum  PowerMaximum  CurrentPullEfficiencyAweBatteryESC
BG-S1102KVWAgg/W/SA
800036.63.3752.130202S
10000407.81221.420302S15 
12000456.192220301S15 



Тестовые данные
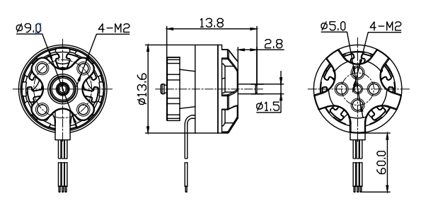
Чертёж

多旋翼应用压缩3.jpg

微信图片_20260319133346_3211_8.jpg


ФОРМА СВЯЗИ

НЕ НАШЛИ НУЖНУЮ ИНФОРМАЦИЮ?
Свяжитесь с одним из наших менеджеров по продажам

товары той же серии