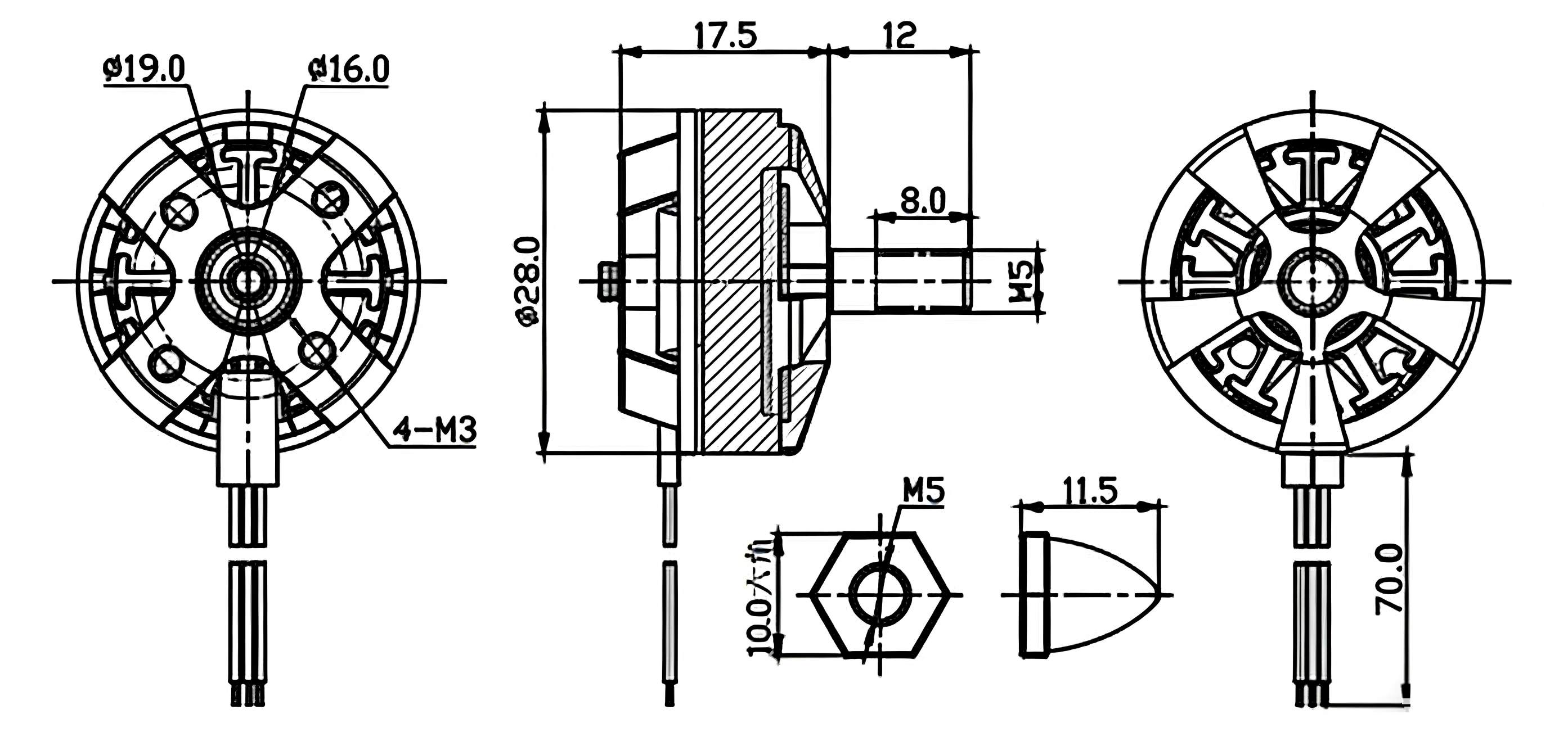
25.64*12.5mm
12N14P
200℃
1.5mm
17.4g
>1000h
| Model | KV Value | Maximum Power | Maximum Current | Pull | Efficiency | Proprller | Battery Lipo Cells | ESC | |
| BGS-F2004 | KV | W | A | g | g/W | / | S | A | |
| 17 | 226.8 | 11.8 | 772 | 3.41 | HQ5030 | 3-6S | 30 | ||
| 1900 | 365 | 15.3 | 862 | 2.36 | 30 | ||||
| 2100 | 425 | 17.7 | 945 | 2.22 | 2-4S | 30 | |||
| 3150 | 447.7 | 28.45 | 913 | 2.04 | 30 | ||||
2004 мотор широко используется в 4" и легкие 5" FPV фристайл дроны, где пилотам требуется баланс между взрывной мощностью и точным управлением дроссельной заслонкой, позволяющий как агрессивные маневры, так и плавное восстановление во время сложных схем полета.
Мощный контроль середины дросселя
Отзывчивый, но плавный
Стабильно во время переворотов и кувырков
В обычных дронах, особенно в тех, которые оснащены легкими HD-камерами, мотор 2004 года обеспечивает плавную выходную мощность тяги и снижает вибрацию, обеспечивая стабильную съемку при сохранении эффективного энергопотребления в течение длительных полетов.
Для применения дронов на большие расстояния, где эффективность и выносливость имеют решающее значение, мотор 2004 года может работать на более низких уровнях дросселя, сохраняя при этом достаточную тягу, что позволяет увеличить время полета и обеспечить надежную крейсерскую производительность.
В промышленных применениях, таких как инспекции или легкая транспортировка полезной нагрузки, мотор 2004 года обеспечивает улучшенный крутящий момент и грузоподъемность по сравнению с моторами меньшего размера, что делает его подходящим для компактных, но функциональных систем БПЛА.
Увеличенный диаметр статора позволяет мотору 2004 года генерировать более высокий крутящий момент, что позволяет ему эффективно вращать большие гребные винты без чрезмерных потерь RPM.
По сравнению с небольшими моторами с высоким кВ, модель 2004 года имеет более плавную кривую дросселя, что имеет решающее значение для американского полета и интеллектуального маневрирования.
Мотор превосходно работает в широком диапазоне дросселя, что делает его подходящим как для агрессивного полета, так и для крейсерского полета на малой мощности.



